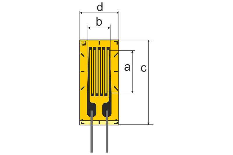
Description
The C Series strain gauges are the ideal choice for structural tests at exceptional temperature conditions. They have an enormous temperature range and measure precisely even at very low temperatures down to -269 ° C. For a good mechanical flexibility, as well as flexibility and optimum adaptation to the material to be measured, the measuring grid of the C Series consists of a chrome-nickel special alloy on a polyimide foil.
Strain gauges of the C Series have an extremely wide temperature range at a very good price-performance ratio. The strain gauges of the C Series are available with three different geometries and are used, for example, in research and development, in the automotive industry, as well as in power plants and superconductors.
We offer you strain gauges (SGs) in various geometries and sizes, available with temperature responses adapted to the following materials:
Ferritic steel (10.8 ppm/K; 6.0 ppm/°F); temperature matching codes: 1
Aluminum (23 ppm/K; 12.8 ppm/°F); temperature matching codes: 3
Temperature range: -269 to +250 ° C
Resistance: 120 and 350 Ohm
Measuring grid lengths: 1.5 to 10 mm
Strain gauges available in 120 and 350 Ohms
Measuring grid consists of chrome-nickel special alloy, measuring grid carrier is polymide
Fast delivery for preferred strain gauge types – available from stock!




